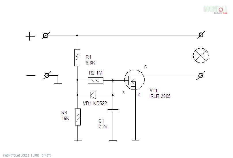
Задержка включения ДХО DRIVE2. Устройство включает ближний свет автоматически спустя 8 1. Схема доступна для повторения даже начинающему радиолюбителю, содержит мало радиоэлементов и наджна в работе. Рассмотрим работу схемы При подаче на клемму Х1 питания 1. При достижении на нм определнного уровня напряжения, через 8 1. Его контакты замыкаются и питание поступает в схему автомобиля. Ходовые огни можно подключить напрямую непосредственно к клемме Х2. Если нет ходовых огней, а только ближний свет, то клемма Х2 подключается к переключателю ближнего света автомобиля. Схема собрана навесным монтажом. После сборки и проверки работоспособности схемы все радиоэлементы упаковываются в коробочку или в несколько слов изоленты. Устройство устанавливается в автомобиль в удобном для монтажа месте. Дхо На Ne555' title='Дхо На Ne555' />Схема и печатная плата на таймере 555. Полностью согласен, что ДХО должны уметь работать с габаритами, так же, как и без них. И тут я вспомнил про такую замечательную вещь как аналоговый таймер NE555. Представляет собой своеобразный генератор, где. Дневные ходовые огни DRL дополнительные внешние световые приборы, предназначенные для улучшения видимости движущегося. Методы подключения дневных ходовых огней ДХО. В последнее время спрос на дневные ходовые огни ДХО довольно высок, такая ситуация на рынке. Простая схема шим регулятора на NE555. В статье изложен вариант автоматических дневных ходовых огней ДХО для автомобиля на базе ШИМ регулятора на таймере 555 с. КАК СДЕЛАТЬ ДНЕВНЫЕ ХОДОВЫЕ ОГНИ ДХО АВТОМАТ УСТАНОВКА. ТАЙМЕР ДЛЯ ВКЛЮЧЕНИЯ NE555 httpali. Дхо На Ne555' title='Дхо На Ne555' />
Детали транзистор С3. КТ8. 29. А. Конденсатор электролитический желательно взять меньших габаритов. Инструкция В Электрощитовой В Школе подробнее. Реле на ток контактов не менее 5. А вс зависит от мощности ходовых огней и сопротивлением катушки не менее 1. Ом. Добавлено после повторного включения в течении некоторого времени кондер может не успеть разрядиться. В данной статье рассказано о том, как сделать своими руками автоматические дневные ходовые огни, в дальнейшем просто ДХО. Предлагаю свой вариант ДХО А я собрал себе на NE555 с задержкой 20сек,УЖЕ больше года полет. Решил собрать контроллер ДХО на основе таймера ne555, для начала смоделировал основную часть в протеус, вс работает, скважность 33.